● 2相、3相驱动器兼容(需设定驱动器内部参数)
● 设有16档等角度恒力矩细分,更高分辨率60000脉冲/转,其它细分可定制完成" />
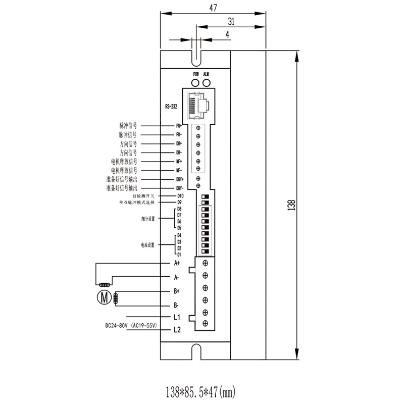
返回当前位置:kaiyun sports / 产品中心 / 步进系列 / 两相混合式步进驱动器
在线咨询订购热线:0755-23001035
我们为您推荐最适合匹配的电机和驱动
● 高性能、低价格
● 2相、3相驱动器兼容(需设定驱动器内部参数)
● 设有16档等角度恒力矩细分,更高分辨率60000脉冲/转,其它细分可定制完成
● 更高反应频率可达200Kpps
● 步进脉冲停止超过100ms时,线圈电流自动减到设定电流的一半
● 驱动电流1.2A/相到6.0A/相分16档可调
● 单电源输入,电压范围:DC24-80V
● 掉电相位记忆功能(设备由于意外或人为原因掉电、关电,系统自动记忆相位)
●I/O信号,所有输入信号均通过光电隔离,信号电平5~24V电平兼容
●脉冲平滑功能,使电机低速运行更平稳,平滑等级可设定
●电机电感量可调,发挥步进电机更大效能
