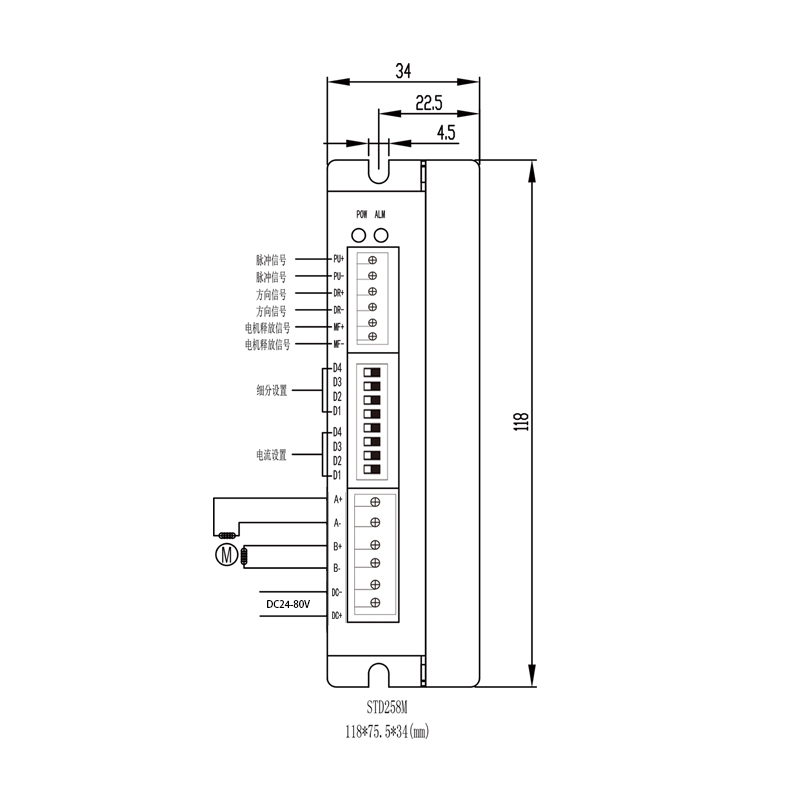
支持单、双脉冲,内部速度模式
适配电流在5.0A以下、外径57、60系列,小于12Nm的86系列两相混合式步进电机
可订制任意细分功能,串口总线功能" />
返回当前位置:kaiyun sports / 产品中心 / 步进系列 / 两相混合式步进驱动器
在线咨询订购热线:0755-23001035
我们为您推荐最适合匹配的电机和驱动
STD258M是将先进的32位MCU和独特的控制电路结合一起所构成的新一代全数字步进电机驱动器.驱动电压为DC24-80V(20~55VAC),适配电流在5.0A以下、外径57-86mm的各种型号的两相混合式步进电机。该驱动器内部采用类似伺服控制原理的电路,此电路可以使电机运行平稳,几乎没有震动和噪音。定位精度更高可达40000脉冲/转。该产品广泛应用于雕刻机、点胶机、螺丝机、小型数控机床、包装机械等分辨率较高的中、小型数控设备上。
