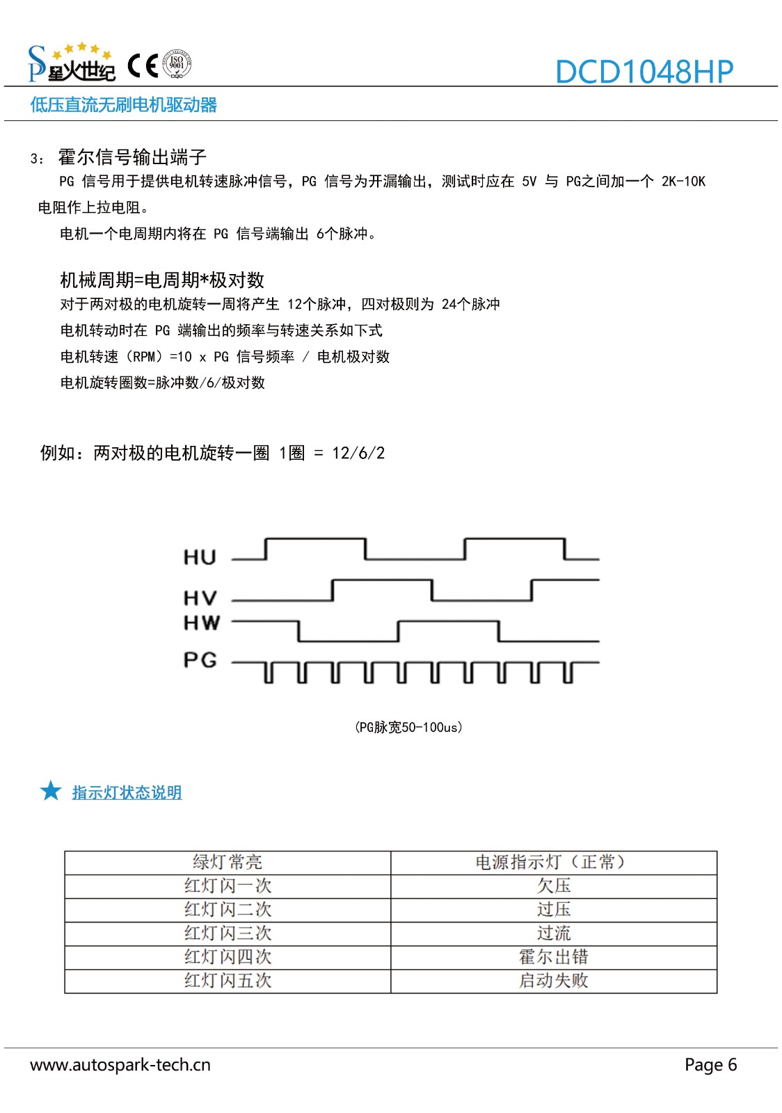
欢迎来到开云体育·(中国)官方网站官网,深圳电机驱动器厂家主要研发、性价比高电机驱动器、伺服电机驱动器、步进电机、步进电机驱动器等产品。

步进电机驱动专家

全国咨询热线400 000 6331

无刷电机驱动器
全国服务热线400 000 6331
  • DCD400W
  • 58a6e6f9559265fc7705039db1bc4d9.jpg
  • 2729fa35e30e225fa33b7777ab81caa.jpg
  • a334c4aef072e898436e1989e0d9149.jpg
  • 150cedb8c3d80453dc5582a0a8c4cd0.jpg
  • 021da566ba342592ffca2ced6ed5718.png

DCD400W 类别:无刷电机驱动器

产品简介:DCD400W是一款高性能、低功耗、低噪音、低转速扭矩大、效率高、升温低、带霍尔传感器的直流无刷电机驱动器,具有完善的软硬件保护功能,驱动器可通过串口通信接口与计算器相连,实现电机参数、保护参数、模拟信号输入电压参数、额定转速参数等参数设置,适配功率400W内直流无刷电机,应用于各类自动化设备,如物流搬运、传送设备、食品机械、包装机械、抛光打磨、医疗设备、健身设备等众多领域

在线咨询订购热线:0755-23001035

我们为您推荐最适合匹配的电机和驱动

说明书下载

产品介绍

7.jpg

  • 扫一扫,关注我们